HOME > Fitting&Connecter > JACO Compression > 25 Female Connectors
![]() | ![]() |
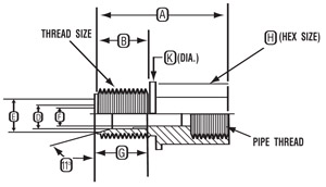
| Tube O.D. | Pipe Thd. | Thread | A ±1/64 | B ±1/64 | D +.005/-.010 | E | F ±.010 | G ±1/64 | H ±1/64 | K ±1/64 | Part No. |
| 1/4" | 1/8" | 7/16-20 | 59/64 | 23/64 | 1/4" | .330 - .335 | .170 | 15/32 | 43/64 | 25/64 | 25-4-2 |
| 1/4" | 1/4" | 7/16-20 | 1-3/32 | 3/8 | 1/4" | .330 - .335 | .170 | 15/32 | 51/64 | 29/32 | 25-4-4 |
| 5/16" | 1/4" | 1/2-20 | 1-7/32 | 15/32 | 5/16" | .380 - .385 | .232 | 31/64 | 3/4 | 13/16 | 25-5-4 |
| 3/8" | 1/4" | 5/8-20 | 1-13/64 | 29/64 | 3/8" | .460 - .465 | .250 | 9/16 | 3/4 | 13/16 | 25-6-4 |
| 3/8" | 3/8" | 5/8-20 | 1-7/32 | 15/32 | 3/8" | .460 - .465 | .250 | 19/32 | 15/16 | N/A | 25-6-6 |
| 3/8" | 1/2" | 5/8-20 | 1-17/64 | 15/32 | 3/8" | .460 - .465 | .250 | 19/32 | 1-1/16 | N/A | 25-6-8 |
| 1/2" | 3/8" | 3/4-20 | 1-9/32 | 39/64 | 1/2" | .590 - .595 | .375 | 11/16 | 15/16 | N/A | 25-8-6 |
| 1/2" | 1/2" | 3/4-20 | 1-9/32 | 9/16 | 1/2" | .590 - .595 | .375 | 11/16 | 1-1/16 | N/A | 25-8-8 |
| 5/8" | 1/2" | 7/8-20 | 1-1/2 | 11/16 | 5/8" | .715 - .720 | .500 | 45/64 | 1-1/16 | N/A | 25-10-8 |

㈜토미헤코 ㅣCEO 박동진
Business Registration Number 104-86-06940
Address 04793 서울시 성동구 성수일로10길26 5층
Tel 02-2060-5885 [평일 09:00 ~ 18:00 (주말/공휴일 제외)
Fax 02-865-7843 ㅣ E-mail sales@tommyheco.com
개인정보관리책임자 박동석 CAREER@TOMMYHECO.COM